钧晟动力科技(嘉兴)有限公司
首页
/
产品中心
/
模型图纸下载
/
关于钧晟
/
联系钧晟
/
新闻中心
搜索
热门搜索
行星减速机
中空旋转平台
丝杆升降机
精密换向器
1/1
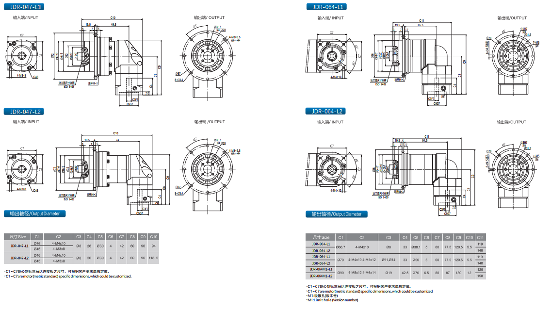
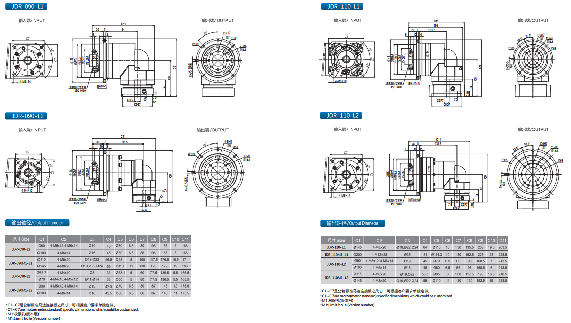
斜齿行星减速机-JDR
分享
微信
新浪微博
QQ
QQ空间
豆瓣网
百度贴吧
结构:
笼式双支撑斜齿
优点:
传动效率(单级≥95%,双级≥92%)
适合重复定位精度高,频繁启停正反转;
转角最大速比可达200;
配件一体式,单级批量可做到1弧分;
适用于对抗扭刚度有需求;
盘面直角输出,安装便捷;
缺点:
转角传动效率较同轴低(单级≥95%,双级≥92%);
运转噪音高于同轴行星减速机;
图纸模型免费下载!
联系我们
减速机参数
JDR参数.pdf
产品图纸
JDR图纸.pdf
减速机概述
查找减速机
配置减速机
咨询减速机
应用行业
工业自动化
包装设备
数控机床
新闻中心
企业新闻
应用实例
微信扫码选型
胡经理
18067060008
微信客服
微信客服
扫码咨询
小程序选型
小程序选型
微信扫码
微信公众号
微信公众号
微信公众号