钧晟动力科技(嘉兴)有限公司
首页
/
产品中心
/
模型图纸下载
/
关于钧晟
/
联系钧晟
/
新闻中心
搜索
热门搜索
行星减速机
中空旋转平台
丝杆升降机
精密换向器
1/1
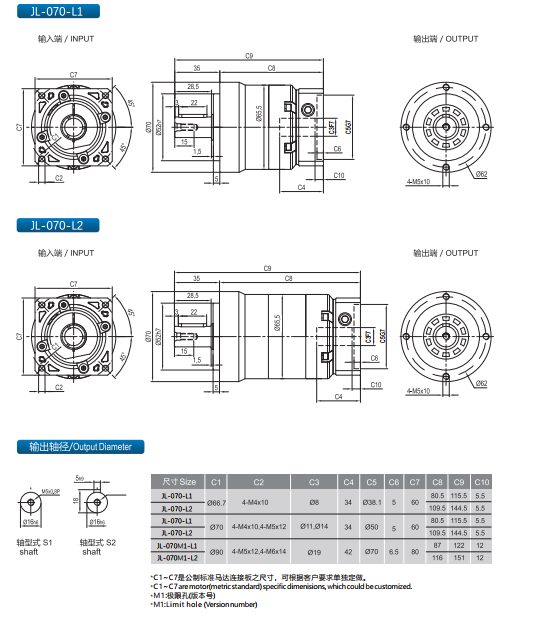
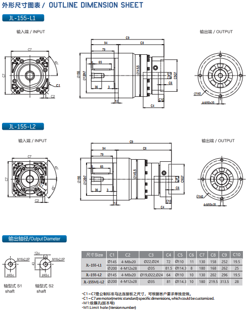
斜齿行星减速机-JL
分享
微信
新浪微博
QQ
QQ空间
豆瓣网
百度贴吧
结构:
笼式双支撑斜齿
优点:
传动效率高(单级≥97%,双级≥94%);
配件一体式,精度只能做5弧分;
适合重复定位精度高,频繁启停正反转;
适合有限的安装空间;圆法兰输出;
缺点:
JL系列只能做P2精度5弧分,系列没有选项;
普通替换型;
5弧分内的波动值比JS要大;
图纸模型免费下载!
联系我们
减速机参数
JF JL参数.pdf
产品图纸
JF JL图纸.pdf
减速机概述
查找减速机
配置减速机
咨询减速机
应用行业
工业自动化
包装设备
数控机床
新闻中心
企业新闻
应用实例
微信扫码选型
胡经理
18067060008
微信客服
微信客服
扫码咨询
小程序选型
小程序选型
微信扫码
微信公众号
微信公众号
微信公众号